一、单位基本信息


排污单位基本信息.jpg

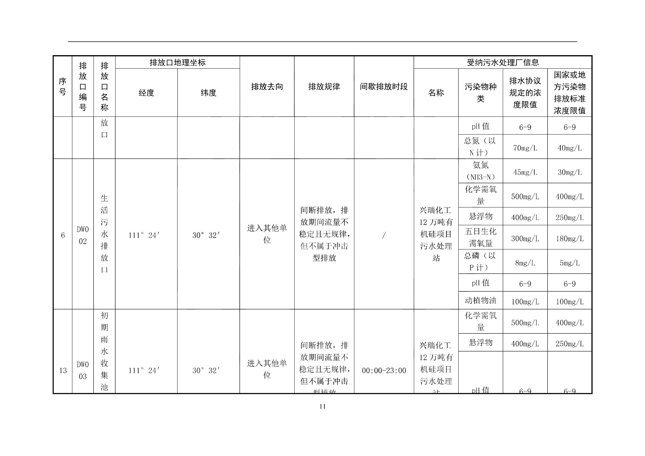
二、排污信息



1.jpg20211129092617272.jpg20211129092914584.jpg20211129092943490.jpg20211129093007944.jpg20211129093028915.jpg20211129093057829.jpg20211129093120624.jpg20211129093152703.jpg20211129093249100.jpg20211129093309254.jpg20211129093330264.jpg20211129093349259.jpg20211129093416183.jpg20211129093433357.jpg20211129093455906.jpg20211129093513705.jpg


三、防治污染设施的建设和运行情况



835fac8e8fef1d199b9baff2cfa1e393.jpg


四、环评及其它行政许可信息



项目名称环评类别审批单位环评审批文号验收批复文号
关于宜昌汇富硅材料有限公司气相法白炭黑生产线技改升级项目(5万吨/年白炭黑)环境影响报告书的批复
报告书
宜昌市生态环境局
宜市环审[2020]33号

注:1.因涉及商业秘密和文件太大,需求者与本单位联系。2.项目较多,仅展示近一年项目。



五、环境突发事件应急信息


突发环境事件应急预案2020年5月7日发布米兰官方端网页版突发环境事件应急预案,因文件太大,需求者与本单位联系。
环境风险防范工作开展情况公司每年至少展开四次(每季度一次)环境突发事件应急演练,以应对环境污染、生态破坏等突发状况,避免猇亭区局部或区域内环境发生污染事故,确保事故发生时能快速有效的进行现场应急处理、处置,保护厂区及周边环境、居住区人民的生命、财产安全。
突发环境事件发生及处置情况无突发环境事件



六、其它环境信息


环境管理体系认证

GB/T 24001-2016/ISO14001:2015标准


本单位于2019年首次通过环境管理体系认证,符合国家标准和国际标准,可进行气相二氧化硅的研发、生产和销售及相关管理活动,每年通过复审认证。
清洁生产审核2019年9月30日通过第一轮清洁生产审核。
排污税缴纳本单位每年委托专业检测机构对公司进行全方位排污监测,每季度在规定时间申报污染物排放情况。
履行社会责任情况本单位严格遵守环保法律法规,对各类污染物进行监测后排放,保证达标。不断更新生产线和设备,提升科研技术和抗污能力,减少污染物的排放。


注:本表格及以上内容版权属米兰官方端网页版所有,未经允许不得他用。